Customer: Primetal Technologies (Head Office: Kolkata)
Installation Sites: JSW Mingo Transfer Car, Rourkela; VD Car Project (Export to USA)
Installation Timeline: Since November 2023
To evaluate and successfully replace the Spring Buffer (SB-1220-F) with the AdoniTech Hydraulic Buffer (EI 50-50) to enhance performance, cost-efficiency, and structural safety

Successful replacement of spring buffer with hydraulic buffer, conforming to IS3317:2020 Standard.

38% cost savings compared to spring buffers.

Reduced lead time with dynamic testing before installation.

Improved structural safety by eliminating rebound force.
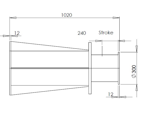
Performance Comparison
| Performance Parameter | Spring Buffer (SB-1220-F) | AdoniTech Hydraulic Buffer (EI-50-50) |
|---|---|---|
| Stroke | 240mm | 50mm |
| Diameter | 300mm | 65mm |
| Length | 1080mm | 262mm |
| Energy Absorption | 40-50% (remaining impact transferred to structure, causing damage) | 95-100% (ensures structural safety and longevity) |
| Reaction Force | 50% reaction force back to structure (causing rebound) | No rebound |
| Absorption Mechanism | Spring-based, compression-only, with uncertain lifespan | Hydraulic with orifice pattern, ensuring longevity with a warranty |
| Installation Risks | Rod may get stuck, leading to operational failure and downtime | Instant return in 0.2 seconds via nitrogen gas chamber, ensuring continuous operation |
| Robustness | No corrosion resistance; properties deteriorate over time | Corrosion-resistant, designed for steel industries, MHE, RM, hot metal carriages; withstands temperatures up to 70°C (customizable for higher temperatures) |
| Cost per Unit | ₹25,600 | ₹16,000 |
| Cost Savings | No savings, increased risk of structural damage | 38% savings with a performance warranty |
| Structural Safety & Warranty | No warranty or compliance with IS3317:2020, increasing risk | 100% compliance with IS3317:2020, ensuring structural safety & longevity |
Conclusion
By replacing the Spring Buffer (SB-1220-F) with the AdoniTech Hydraulic Buffer (EI-50-50), Primetal Technologies has achieved significant cost savings, enhanced safety, improved efficiency, and increased lifespan of structures. The hydraulic buffer’s superior energy absorption and instant recovery mechanism ensure seamless operations, making it the ideal choice for industrial applications.